Time: 2023-01-09
Single turn
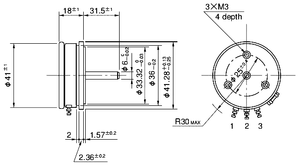
Wirewound
Servomount

Standard Resistance Range
50Ω~20KΩ
Max. Practical Resistance Value
50KΩ
Total Resistance Tolerance
Standard Class ±3%(H), Precision Class ±1%(F)
Independent Linearity Tolerance
Standard Class ±0.5%, Precision Class ±0.1% (±0.2% in case of within 2kΩ )
Power Rating
1.0W
Noise
<100ΩE.N.R.
Electrical Travel
355°±3°
Mechanical Travel
360°(Endless)
Insulation Resistance
>1000MΩ(1000V.D.C.)
Dielectric Strength
1 minute at 1,000V.A.C.
Starting Torque
<4mN·m(40gf·cm)
Resistance Temperature Coefficient
±20p.p.m./℃
Mass
Approx.55g
Special resistance value
Lower resistance values (10Ω, 20Ω)
Special shaft type
Shaft with front and rear extension (Rear shaft with 6mm dia. and 15mm length), shaft dia. (φ 6.35mm) with inch dimension, special machining on the shaft
Special electrical travel
Special electrical travel
Special tap
Extra taps (Available up to 5 taps)
With stopper
Rotating angle is 330°and stopper strength is 0.9N?m [9kgf?cm]
Special mounting
Bushingmount type
Special gangs
Multi-ganged (Available up to 7 gangs. Housing length is extended by 12mm per 1 gang)
Message