Time: 2023-01-09
Hall effect IC type
Single or double full redundant outputs
Metal case with high reliability

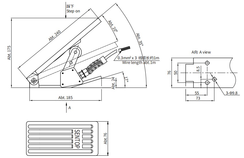
Operating angle
Approx.20°
Operating force
15~27N
Mechanical life expectancy
5,000,000 operations
Operating temperature
-30℃~+70℃
Storage temperature
-30℃~+70℃
Vibration
10~55Hz 98m/s²
Shock
294m/s²
Mass
Approx.1100g
Protection degree
IP67(Electrical parts)
Electrical Specifications
S1,R1,R2,R3,R4
Applied voltage
5V±10%,5V±10% ,9V~30V,15V~30V,15V~30V
Output Signal
0.5V~4.5V,0~5V,0~5V,0~10V,4~20mA
Current consumption (no-load)
<16mA,<16mA,<25mA,<25mA,<35mA
Output deviation at both ends
<1%.VCC,<1%.VCC,<50mV,<50mV,<0.1mA
Load resistance
>100KΩ,>100KΩ,>100KΩ,>100KΩ,<600Ω
Effective electrical angle
Approx. 60°
Independent linearity tolerance
±2%
Resolution
4096 (12 Bit)
Update rate
0.3ms
Insulation resistance
>1000MΩ (500V.D.C)
Dielectric strength
1 min (500V.A.C)
Color
Red,Black,White
Title
VCC,GND,OUT
Other output signals
PWM
Electrical specifications
Special output characteristic, speical cable length, etc.
Message