Time: 2023-01-09
Small-sized
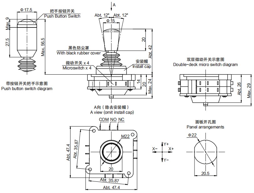
Screw and nut mounting
Knobs with push button switch optional

Operating angle
Approx. ±12º (From center position)
Operating force
Approx. 2.2N~2.8N
Maximum allowable force
100N
Mechanical life expectancy
Approx. 1,000,000
Operating temperature range
-20℃~+65℃
Storage conditions
-20℃~+65℃
Mass
Approx. 40g
Protection grade
IP65 (Above panel)
Electrical specifications (switch)
Push button switch,Microswitch
Rating
48V.D.C. / 0.1A,125V.A.C. / 5A
Electrical life expectancy
500,000,200,000
Mechanical life expectancy
1,000,000,30,000,000
Insulation resistance
>1000MΩ (500V.D.C.),>100MΩ (500V.D.C.)
Dielectric strength
1min (1000V.A.C.),1min (1000V.A.C.)
Special mechanical property
Speical mechanical property such as special lever height, special spring return force, etc.
Special knob
Customized knob, with push button switch (with light is optional)
Special switch
Economy version micro-switch, with electrical life 50,000 and mechanical life 1,000,000
Message