Tiempo: 2023-01-09
Magnetic rotary sensor (Hall effect)
High protection degree
Pocket size
With one couple of precision ball bearings
Flange mount

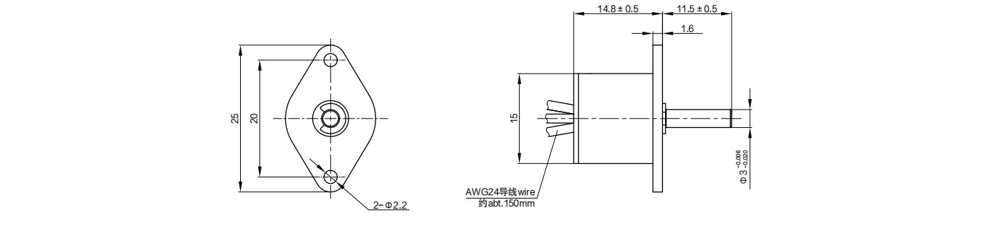
Mechanical angle
360º(Endless)
Protection degree
IP65
Operating torque
<1mN·m
Max.speed
6000rpm
Life expectancy
100,000,000
Mass
Approx.15g
Housing material
Anodized aluminium alloy
Shaft material
Stainless steel
Operating temperature range
-40℃~+125℃
Storage temperature range
-40℃~+125℃
ESD durability
Contact discharge ±8KV,Aerial discharge ±15KV,EN61000-4-2:2009
EMS durability
10V/m (80MHz~1GHz,1KHz80% Amplitude modulation),EN61000-4-3:2006+A1:2010
Standard model
R15F 0505 W360
Input voltage
5V±10%
Output signal
0~100%Vcc
Current consumption (no-load)
<16mA
Output deviation of both ends
<1%·VCC
Load resistance
>10KΩ
Effective electrical angle
360º
Independent linearity tolerance
±0.3%
Resolution
4096 (12 Bit)
Update rate
0.3ms
Other output signals
Available for incremental、 PWM、SER、SSI、SPI signal.
Special shaft
Special length of shaft、special diameter or special machining on shaft (like shaft slotted、fatted etc.)