Tiempo: 2023-01-09
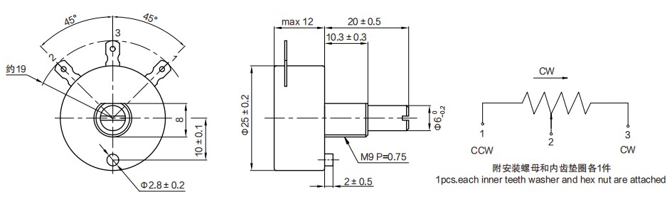
Wire-wound potentiometer
Economy version
Bushing mount
With stopper

Mechanical angle
320º ±5º (with stopper)
Protection degree
IP40
Operating torque
<25mN·m
Life expectancy
200,000
Mass
Approx.25g
Housing material
Plastic
Shaft material
Stainless steel
Operating temperature range
-50℃~+125℃
Storage temperature range
-50℃~+125℃
Standard model
WDX25-1K
Resolution
0.19%(1K)、0.26%(2K)、0.19%(5K)、0.15%(10K)
Resistance tolerance
±5%
Independent linearity tolerance
±0.5%
Power rating
1.5W
Insulation resistance
≥1000MΩ(500V.D.C.)
Dielectric strength
1000V.A.C/1 min
Sliding noise
<100ΩENR
Resistance Temperature Coefficien
±20P.P.M/°C
Other output signals
Available for 100Ω,200Ω,500Ω.
Special mechanical angle
Available for mechanical angle 360º(Endless).
Special shaft
Available for inch Shaft Φ6.35.
Special torque
Low torque (5mN·m).