Tiempo: 2025-12-29
Linear Potentiometers/Linear Sensors
Conductive Plastic
Without rear exteded shaft
Low-cost Item

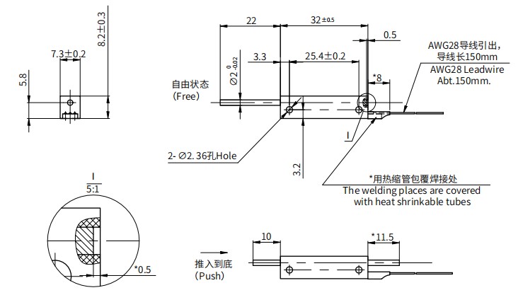
Mechanical stroke
Approx.12mm
Protection grade (IP)
IP40
Stopper strength
Approx.10N (1kgf)
Life expectancy, shaft reciprocating motions
No load at 120 c.p.m., 20,000,000 reciprocating motions, Total resistance value variation: <±10% against initial value, Independent linearity tolerance: <150% of specified value, Output smoothness: <150% of specified value.
Friction
<3N (300gf)
Mass
Approx.5g (Includes wire harness)
Resistance temperature coefficient
±400p.p.m./℃
Operating temperature range
-30℃~+105℃
Temperature cycle
5 cycles under -30℃~+105℃, total resistance value variation: <± 10%, No mechanical damage.
Exposure at low temperature
24 hours at -30℃, Total resistance value variation: <±5%, No mechanical damage.
Exposure at high temperature
1,000 hours at 105℃, Total resistance value variation: <±10%, No mechanical damage.
Vibration
10Hz~2000Hz, 147m/s², 12 hours, Total resistance value variation: <±5%, No mechanical and electrical damage.
Shock
490m/s², 11ms, 18 times, Total resistance value variation: <±1%, No mechanical and electrical damage.
Moisture resistance
40℃, 95%RH, 120 hours, Total resistance value variation: <±10%, Insulation resistance: >10MΩ.
Electrical stroke
11±0.5mm
Standard resistance values
5kΩ±15%
Total resistance tolerance
Standard ±15% (L)
Independent linearity tolerance
Standard ±2.0%
Resolution
Essentially infinite
Output smoothness
<against input voltage 0.2%
Contact resistance variation
<6% C.R.V.
Power rating
0.2W
Insulation resistance
>1000MΩ (500V.D.C.)
Dielectric strength
1 min (500V.A.C)