Вернуться: 2023-10-16
Hall effect IC type
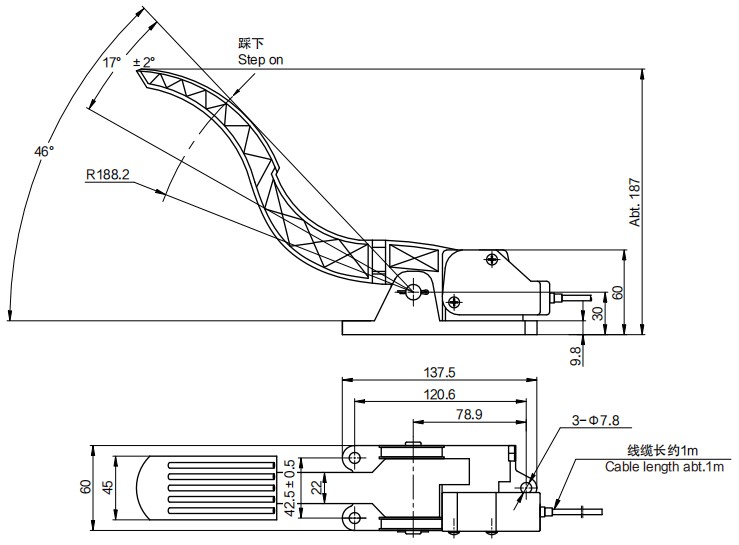
Suspended pedal
Single or double full redundant outputs

Operating angle
Approx. 17°
Operating force
14~25N
Mechanical life expectancy
1,000,000 operations
Operating temperature
-40℃~+85℃
Storage temperature
-40℃~+105℃
Vibration
10~55Hz 98m/s²
Shock
294m/s²
Mass
Approx. 1100g
Protection degree
IP67(Electrical parts)
Electrical Specifications
R; R2; R3; R4
Applied voltage
5V±10%; 9V~30V; 15V~30V; 15V~30V
Output Signal
0~5V; 0~5V; 0~10V ; 4~20mA
Current consumption (no-load)
<16mA; <25mA; <25mA; <35mA
Output deviation at both ends
<1%.VCC; <50mV; <50mV; <0.1mA
Load resistance
>100KΩ; >100KΩ; >100KΩ; <600Ω
Independent linearity tolerance
±2%
Resolution
4096 (12 Bit)
Update rate
0.3ms
Insulation resistance
>1000MΩ (500V.D.C)
Dielectric strength
1 min (500V.A.C)
Rating
2A/30V.D.C., 0.5A/125V.A.C.
Electrical life expectancy
>100,000
Mechanical life expectancy
>100,000,000
Port
1; 2; 3; 4; 5; 6
Title
SW-; Null; SW+; OUT1; GND1; VCC1
Other output signals
PWM, SSI, RS485, CANopen, etc.
With connectors
Connector model.1: DTM04-6P; Connector model.2: AMP 174359-2